五要素氣象儀
產品型號:FT-WQX5
產品簡介(jie):五要(yao)素(su)氣(qi)(qi)象儀(yi)又稱五要(yao)素(su)微型(xing)氣(qi)(qi)象儀(yi)、五要(yao)素(su)傳(chuan)(chuan)感器,五要(yao)素(su)氣(qi)(qi)象儀(yi)為一體(ti)式結構,可(ke)以同時監測風速、風向、溫度、濕(shi)度、大氣(qi)(qi)壓力五個氣(qi)(qi)象參數,可(ke)選(xuan)配無線(xian)傳(chuan)(chuan)輸模塊,最小傳(chuan)(chuan)輸間隔1分鐘。
市(shi)場價格:¥ 3400元
聯系方式:15689257565
相關產品
一、五要素氣象儀產品簡介
五要素氣象儀又稱五要素微型氣象儀、五要素傳感器,五要素氣象儀為一體式結構,可以同時監測風速、風向、溫度、濕度、大氣壓力五個氣象參數,可選配無線傳輸模塊,最小傳輸間隔1分鐘。山東風途物聯網科技有限公司作為專業研發生產銷售微型氣象儀的企業,一直致力于微型氣象儀和氣象環境解決方案推廣應用。具有完整的生產鏈、實力雄厚的技術團隊和全面的營銷團隊,我們研發生產的超聲波風速風向儀、五要素微氣象儀、六要素微氣象儀和小型自動氣象站等氣象產品,已廣泛應用到氣象監測、城市環境監測、風力發電、航海船舶、航空機場、橋梁隧道等領域,客戶遍布全國各地,并取得了良好的社會效益和經濟效益。
與傳統的微型氣象儀相比,我司產品克服了對高精度計時器的需求,避免了因傳感器啟動延時、解調電路延時、溫度變化而造成的測量不準問題。
FT-WQX5型五要素氣象(xiang)儀創新性地(di)將(jiang)風(feng)速、風(feng)向、溫度(du)、濕度(du)、大(da)氣壓力通過(guo)一個高(gao)集成度(du)結構來實現(xian),可(ke)實現(xian)戶(hu)外氣象(xiang)參(can)數(shu)24小時連續在(zai)線監測,通過(guo)數(shu)字(zi)量通訊接口將(jiang)五項參(can)數(shu)一次性輸出給用戶(hu)。
二、五要素氣象儀產品特點
1、頂蓋隱藏式超聲波探頭,避免雨雪堆積的干擾,避免自然風遮擋(實用新型專利,專利號ZL 2020 2 3215713.X)☆
2、原理為發射連續變頻超聲波信號,通過測量相對相位來檢測風速風向(發明專利,專利號ZL 2021 1 0237536.5)☆
3、風速、風向、溫度、濕度、大氣壓力五要素一體式(實用新型專利,專利號ZL 2020 2 3215649.5)☆
4、采用先進的傳感技術,實時測量,無啟動風速☆
5、抗干擾能力強,具有看門狗電路,自動復位功能,保證系統穩定運行
6、高集成度,無移動部件,零磨損
7、免維護,無需現場校準
8、采用ASA工程塑料室外應用常年不變色
9、產品設計輸出信號標配為RS485通訊接口(MODBUS協議);可選配232、USB、以太網接口,支持數據實時讀取☆
10、可選配無線傳輸模塊,最小傳輸間隔1分鐘
11、探頭(tou)為(wei)卡扣式設(she)計,解決了運輸、安裝過程松動不準的(de)問題(ti)☆
三、五要素氣象儀技術參數
1、風速:測量原理超聲波,0~60m/s(±0.1m/s)分辨率0.01m/s;(發明專利,專利號ZL 2021 1 0237536.5)
2、風向:測量原理超聲波,0~360°(±2°);分辨率:1°;(發明專利,專利號ZL 2021 1 0237536.5)
3、空氣溫度:測量原理二極管結電壓法,-40-60℃(±0.3℃),分辨率0.01℃;(北京市氣象局校準證書)
4、空氣濕度:測量原理電容式,0-100%RH(±3%RH),分辨率:0.1%RH;(北京市氣象局校準證書)
5、大氣壓力:測量原理壓阻式,300-1100hpa(±0.25%),分辨率0.1hpa;(北京市氣象局校準證書)
6、功率:0.72W
7、生產企業具有ISO質量管理體系、環境管理體系和職業健康管理體系認證☆
8、生產企業具有計算機軟件注冊證書☆
9、生(sheng)產企業(ye)為3A級信用企業(ye)☆
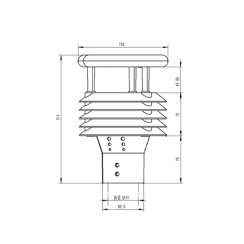
四、五要素氣象儀產品尺寸圖
五、五要素氣象儀產品結構圖
1、控制電路
2、指北箭頭
3、超聲波探頭
4、百葉箱
5、溫度、濕度、氣壓監測位置
6、底部固定法蘭
※此產品可選(xuan)配電子(zi)羅盤、GPRS(內(nei)置)/GPS(二(er)選(xuan)一)
六、五要素氣象儀產品接線定義
定義 | 備注 | |
VCC | 電源正 | DC12V |
GND | 電源地 | |
485A | RS485A | |
485B | RS485B |
本文地址://jxhgyq.com/1391.html




風途首頁
電話咨詢
產品中心