相關產品
一、溫室大棚傳感器產品簡介
溫室(shi)大棚(peng)傳(chuan)感(gan)器的(de)溫度、濕度、二(er)氧化碳、光照(zhao)通(tong)過一個高集成度結構來實現(xian)(xian),溫室(shi)大棚(peng)傳(chuan)感(gan)器可(ke)實現(xian)(xian)溫室(shi)內(nei)氣(qi)象參數(shu)24小時(shi)連(lian)續在線監測。山東風(feng)途物聯網科技有限公司作為(wei)專業研發(fa)(fa)生產(chan)氣(qi)象傳(chuan)感(gan)器的(de)企業,一直致力(li)于氣(qi)象傳(chuan)感(gan)器和氣(qi)象環(huan)境解決方案推廣應用(yong)。具(ju)有完(wan)整的(de)生產(chan)鏈、實力(li)雄厚的(de)技術團(tuan)隊和全面(mian)的(de)營(ying)銷團(tuan)隊,我(wo)們研發(fa)(fa)生產(chan)的(de)傳(chuan)感(gan)器已(yi)廣泛應用(yong)到智慧農業、氣(qi)象監測、城市(shi)環(huan)境監測、風(feng)力(li)發(fa)(fa)電、航海船舶、航空機場、橋梁隧道等領域,客戶遍布(bu)全國各地,并(bing)取得了良好的(de)社會效益和經(jing)濟效益。
二(er)、溫室大棚傳感器產品(pin)特點
1、抗干(gan)擾能力強,具(ju)有看(kan)門狗電路,自(zi)動復位功(gong)能,保證系統(tong)穩定(ding)運行(xing)
2、高集成度,無移動部(bu)件,零磨損
3、免維護,無需現場校(xiao)準
4、采(cai)用(yong)(yong)ASA工程塑料室外(wai)應(ying)用(yong)(yong)常年不變色
5、產品設(she)計輸出(chu)信號(hao)標(biao)配(pei)為RS485通訊(xun)接(jie)口(MODBUS協議);可選配(pei)232、USB、以太(tai)網接(jie)口,支持(chi)數據實時讀取☆
6、可選(xuan)配無線傳輸模(mo)塊,最小傳輸間隔1分鐘
三、溫室大棚傳(chuan)感器技術參數
1、空氣溫度:-40-60℃(±0.3℃);(北京市氣象(xiang)局校準證書)
2、空氣濕度:0-100%RH(±3%RH);(北京(jing)市氣象局校準證書)
3、二氧化碳(tan):0-5000PPM(±40PPM±讀數的3%)
4、光(guang)照:0-157286LUX(<±3%)
5、功率:0.52W
6、生產(chan)企業(ye)具有計(ji)算(suan)機軟件注冊證書☆
7、生(sheng)產企業為3A級信用企業☆
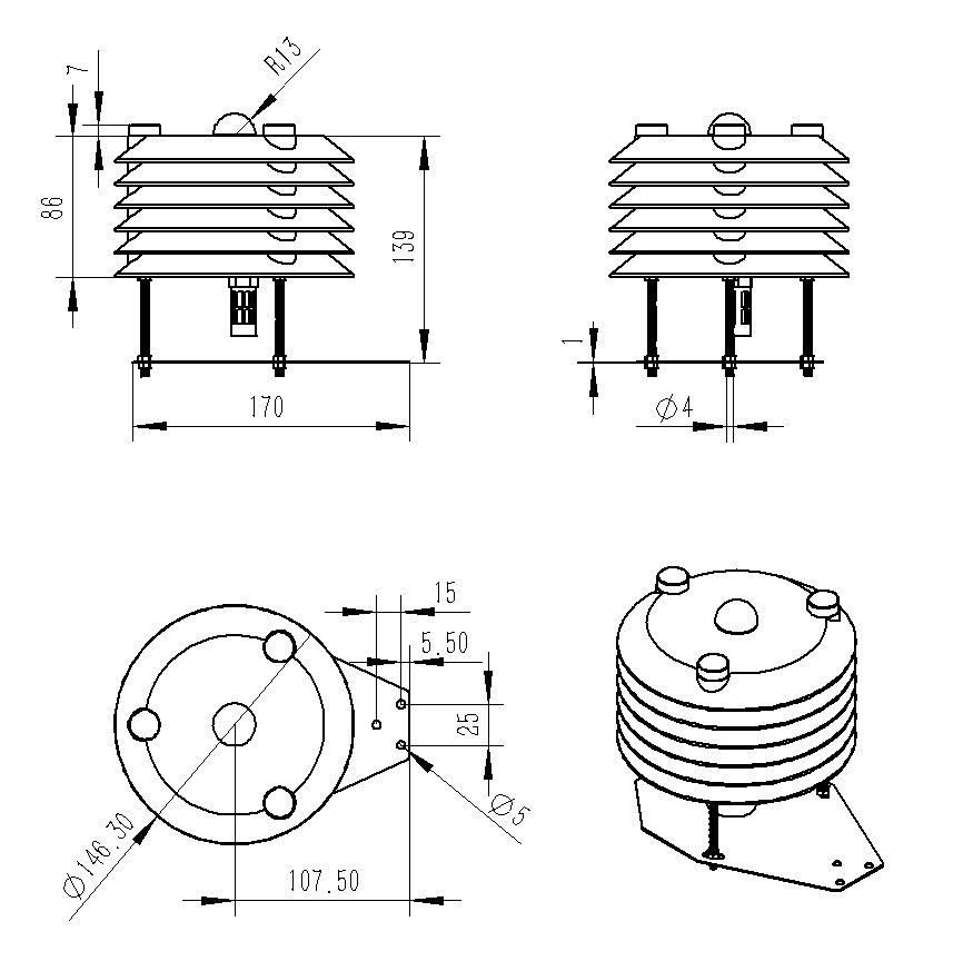
四、溫室(shi)大棚傳感器產品(pin)尺(chi)寸圖

五(wu)、溫室大棚傳感器產品(pin)結構圖

本文地址://jxhgyq.com/1430.html




風途首頁
電話咨詢
產品中心