相關產品
一、稱重式水面蒸發器工作原理
稱(cheng)(cheng)重(zhong)式(shi)(shi)水(shui)面蒸(zheng)發(fa)器又稱(cheng)(cheng)不(bu)銹鋼蒸(zheng)發(fa)傳(chuan)感器,稱(cheng)(cheng)重(zhong)式(shi)(shi)水(shui)面蒸(zheng)發(fa)器是用(yong)于觀測(ce)水(shui)面蒸(zheng)發(fa)在不(bu)同時(shi)間上變(bian)化(hua)規律的儀器,可(ke)直(zhi)接監測(ce)水(shui)面蒸(zheng)發(fa)量(liang)。 應用(yong)壓力式(shi)(shi)測(ce)量(liang)原(yuan)(yuan)理,通過(guo)測(ce)量(liang)蒸(zheng)發(fa)皿(min)內液(ye)體(ti)重(zhong)量(liang)變(bian)化(hua),再計算出(chu)頁面高度,從而測(ce)得蒸(zheng)發(fa)量(liang)。能夠適(shi)應各類(lei)環境的水(shui)面蒸(zheng)發(fa)測(ce)量(liang),不(bu)受液(ye)體(ti)結冰(bing)的影響(xiang),克服了使用(yong)超聲(sheng)波原(yuan)(yuan)理測(ce)量(liang)液(ye)面高度時(shi)出(chu)現(xian)的結冰(bing)時(shi)測(ce)量(liang)不(bu)準、無水(shui)時(shi)易損壞(huai)傳(chuan)感器、測(ce)量(liang)精度低等弊端。
二、稱重式(shi)水面蒸(zheng)發器適用范(fan)圍
水(shui)面蒸發傳(chuan)感(gan)(gan)器是用(yong)來感(gan)(gan)知水(shui)面蒸發量變化的(de)傳(chuan)感(gan)(gan)器,可以觀(guan)測水(shui)面蒸發在不(bu)同時間(jian)段的(de)變化規律,適用(yong)于氣象觀(guan)測、植物(wu)栽培(pei)、種子培(pei)養(yang)、農林業、地質勘測、科學研究等(deng)領域。
既可(ke)(ke)(ke)與自(zi)動加水裝(zhuang)置(zhi)、數(shu)(shu)據采(cai)集(ji)發(fa)(fa)送裝(zhuang)置(zhi)等(deng)配(pei)套使(shi)用,實(shi)現蒸(zheng)發(fa)(fa)過(guo)程自(zi)動監控(kong),也可(ke)(ke)(ke)與數(shu)(shu)據采(cai)集(ji)存儲(chu)裝(zhuang)置(zhi)(記錄(lu)儀)組合使(shi)用,實(shi)現蒸(zheng)發(fa)(fa)數(shu)(shu)據的自(zi)動存儲(chu),還可(ke)(ke)(ke)與雨(yu)量傳感器、數(shu)(shu)據采(cai)集(ji)發(fa)(fa)送裝(zhuang)置(zhi)等(deng)搭配(pei)使(shi)用,實(shi)現蒸(zheng)發(fa)(fa)、降雨(yu)過(guo)程的自(zi)動觀測和遠程傳輸。
三、稱重式水(shui)面蒸發器功能特點(dian)
1.可以(yi)防止太陽直(zhi)曬(shai)引起的蒸發誤差,擁有比(bi)同行(xing)業產品更高的測量精度(du)值,響(xiang)應速度(du)快;
2.整機選用(yong)304不銹(xiu)鋼(gang)材質制成,耐腐(fu)蝕,不起銹(xiu),外觀精美,保證傳感(gan)器使用(yong)壽命;
3.壓力式測(ce)(ce)(ce)量(liang)原(yuan)理,使(shi)用高(gao)精度的稱(cheng)重原(yuan)理測(ce)(ce)(ce)量(liang)蒸發皿內液(ye)體的重量(liang)變化(hua),計(ji)算(suan)出液(ye)面(mian)高(gao)度,從(cong)而(er)測(ce)(ce)(ce)量(liang)得(de)到蒸發量(liang),測(ce)(ce)(ce)量(liang)更準確,數據更科學(xue);
4.雙層防護的設計(ji)結(jie)構,該產品采用(yong)雙層不銹鋼設計(ji),可以隔(ge)離外界干擾,使測量結(jie)果(guo)更加準確;
5.停電(dian)后再(zai)通電(dian),輸出數(shu)據依然正確;
四、稱重式水面蒸發(fa)器工(gong)作及存儲條(tiao)件
工作溫度:-40~85°C
工作濕度:0~100%RH
儲存(cun)濕度:<80%(無凝結)
五、稱重式水(shui)面(mian)蒸(zheng)發器技術參數
供電電壓:12V DC
測量范圍:0~190mm
測量精度:±1%
信號(hao)輸出:485 Modbus-RTU
響應時間:200ms
內桶口徑:φ200mm
防護等級:IP66
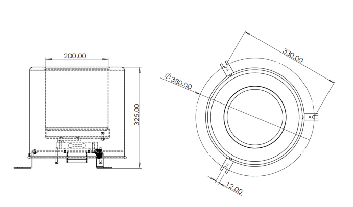
六、稱重式水面蒸發器(qi)產品尺寸圖(tu)

七、稱重式水面(mian)蒸發(fa)器(qi)安裝(zhuang)指導
1.安(an)裝(zhuang)位置選擇須知(zhi)
設備(bei)安裝(zhuang)地點應(ying)高出地面且須裝(zhuang)在水泥底座上,防(fang)止雨(yu)水淹沒底盤(pan)及倒灌進設備(bei)內部(bu)從而引起設備(bei)短路(lu)或線路(lu)故障。
2.安裝步驟
將產品(pin)拆箱,把(ba)外殼(ke)、內膽、底(di)座(zuo)放置(zhi)于(yu)水平地(di)面準備安裝(zhuang),安裝(zhuang)步驟如下:
A去掉底部頂絲
B將(jiang)內膽放置于底座托盤上
C將外殼罩在底座底盤上
D轉動外殼使外殼底部螺栓孔與底座托盤螺栓孔對(dui)齊后插入螺栓擰緊
E將組裝好(hao)的設備固定于(yu)預先制作好(hao)的水泥底座上
本文地址://jxhgyq.com/2623.html




風途首頁
電話咨詢
產品中心