金屬款六要素微型氣象儀
產(chan)品型號:FT-Y6S
產品(pin)簡(jian)介:金屬款六要(yao)素(su)微型(xing)氣(qi)象(xiang)儀創(chuang)新性地將氣(qi)象(xiang)標準六參數(shu)(環境溫度(du)(du)、相對濕度(du)(du)、風速、風向、大氣(qi)壓力、壓電雨量)通過一個高集(ji)成(cheng)度(du)(du)結構來實現,可(ke)實現戶外(wai)氣(qi)象(xiang)參數(shu)24小時連(lian)續在線(xian)監測。
市場價(jia)格:¥ 8600元
聯(lian)系方式:15689257565
相關產品
一、金屬款六要素微型氣象儀產品簡介
山東風途物聯網科技有限公(gong)司作為專(zhuan)業研發(fa)(fa)生(sheng)產(chan)銷(xiao)(xiao)售(shou)微型(xing)氣(qi)象(xiang)儀(yi)的企業,一直(zhi)致力(li)(li)于微型(xing)氣(qi)象(xiang)儀(yi)和氣(qi)象(xiang)環境解決方案推廣應用。具有完整的生(sheng)產(chan)鏈(lian)、實力(li)(li)雄厚(hou)的技術團隊和全面的營銷(xiao)(xiao)團隊,我們(men)研發(fa)(fa)生(sheng)產(chan)的超聲波風速風向儀(yi)、五要素微氣(qi)象(xiang)儀(yi)、六(liu)要素微氣(qi)象(xiang)儀(yi)和小型(xing)自動氣(qi)象(xiang)站等(deng)氣(qi)象(xiang)產(chan)品,已廣泛應用到氣(qi)象(xiang)監測、城市環境監測、風力(li)(li)發(fa)(fa)電、航海船舶、航空機場、橋(qiao)梁隧道等(deng)領域,客戶遍(bian)布全國各地,并(bing)取得了良好的社會效(xiao)益和經濟效(xiao)益。
FT-Y6S型六要素微氣(qi)象儀原理為(wei)發射連續變(bian)頻超聲波信號,通過測(ce)量相(xiang)對(dui)相(xiang)位(wei)來(lai)檢(jian)測(ce)風速(su)風向(xiang)。與傳統的超聲波風速(su)風向(xiang)儀相(xiang)比(bi),我司(si)產(chan)品克服了(le)對(dui)高精(jing)度計時(shi)器(qi)的需求(qiu),避(bi)免了(le)因傳感器(qi)啟動(dong)延(yan)時(shi)、解調電路延(yan)時(shi)、溫(wen)度變(bian)化而造(zao)成的測(ce)量不準(zhun)問題。
FT-Y6S型六要素微(wei)氣(qi)象儀創新(xin)性地將氣(qi)象標準六參數(環境溫度、相對濕度、風(feng)速(su)、風(feng)向、大氣(qi)壓(ya)(ya)力、壓(ya)(ya)電雨量(liang))通過一個(ge)高集成度結構來實(shi)現,可實(shi)現戶外氣(qi)象參數24小時連續(xu)在線監測(ce),通過數字量(liang)通訊接口將六項參數一次性輸出給用戶。
二、金屬款六要(yao)素微(wei)型(xing)氣象儀(yi)產(chan)品特點
1、頂蓋隱藏式超聲波探(tan)頭,避免雨雪堆(dui)積的(de)干擾,避免自然風遮擋(dang)(實用新(xin)型專利,專利號ZL 2020 2 3215713.X)☆
2、原理為(wei)發射連(lian)續(xu)變頻超(chao)聲(sheng)波信號,通過(guo)測量相對相位來檢(jian)測風速風向(發明專利,專利號ZL 2021 1 0237536.5)☆
3、風(feng)速、風(feng)向、溫度(du)(du)、濕度(du)(du)、大氣壓力(li)、壓電雨量六要(yao)素一體式(shi)(實用新(xin)型專利(li),專利(li)號ZL 2020 2 3215649.5)☆
4、采用(yong)先進的傳感技術,實時測(ce)量(liang),無啟動(dong)風速☆
5、抗(kang)干擾能力強,具(ju)有看(kan)門狗電路,自動復位功能,保證系統穩定運行(xing)
6、高集成度,無移動部件(jian),零磨損
7、免維護,無需現場校準
8、采用(yong)不銹鋼材(cai)質,強度高、抗(kang)氧化、抗(kang)腐蝕
9、產品(pin)設計輸出信號標配(pei)為RS485通(tong)訊接口(MODBUS協議);可選配(pei)232、USB、以(yi)太網接口,支持(chi)數據實時讀取☆
10、可選配外置無線傳輸模(mo)塊,最小傳輸間隔1分鐘
11、可選配內(nei)置加(jia)熱模塊:加(jia)熱電流1A(DC12V),加(jia)熱功(gong)耗12-15W
12、一(yi)體(ti)式設(she)計磨損小(xiao)、使用壽(shou)命長、響應速度快
三、金屬款六要素(su)微(wei)型氣象儀技術參數
1、風速:0~60m/s(±0.1m/s);(北京市氣象(xiang)校準證書)
2、風向:0~360°(±2°);(北京市氣象(xiang)校準證書(shu))
3、空氣溫度:-40-60℃(±0.3℃);(北京(jing)市氣象(xiang)局校準(zhun)證(zheng)書(shu))
4、空氣濕度:0-100%RH(±3%RH);(北京市氣象局(ju)校準證書)
5、大(da)氣(qi)壓力:300-1100hpa(±0.25%);(北(bei)京(jing)市(shi)氣(qi)象局(ju)校(xiao)準(zhun)證書)
6、壓電雨(yu)量:0-4mm/min(±4%)
7、功率:1.08W
8、生(sheng)產企業(ye)具有ISO質量(liang)管理體(ti)系(xi)、環(huan)境管理體(ti)系(xi)和(he)職業(ye)健康(kang)管理體(ti)系(xi)認證(zheng)☆
9、生產(chan)企業具有計(ji)算機軟件注冊證書☆
10、生產企業為3A級信用(yong)企業☆
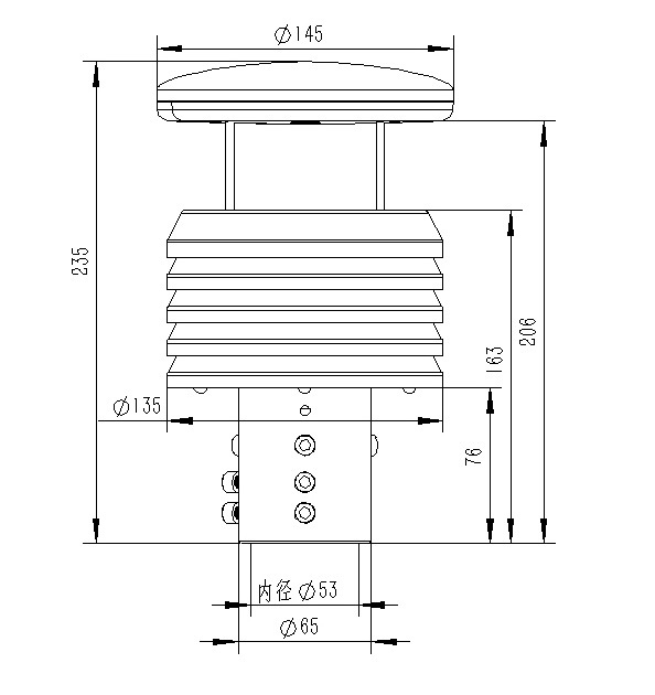
四、金屬款六要素微型(xing)氣象儀產品尺寸圖

五、金屬款六(liu)要素微型氣象儀產(chan)品結構(gou)圖(tu)

六、金屬款六要(yao)素微型氣(qi)象儀注意事(shi)項
1.傳(chuan)感器水平(ping)周圍1米半徑無(wu)遮擋,避免水滴飛濺(jian)影響(xiang)
2.傳感(gan)器安裝位(wei)置應避開強機械振(zhen)動(dong)源
3.傳感器(qi)(qi)安裝上方(fang)應(ying)(ying)為開闊區域,雨滴應(ying)(ying)直接滴落(luo)至(zhi)傳感器(qi)(qi),應(ying)(ying)免二次滴落(luo)和連續(xu)水流沖擊
本文地址://jxhgyq.com/2776.html




風途首頁
電話咨詢
產品中心