相關產品
一、土壤溫濕鹽傳感器技術指標
土壤(rang)(rang)溫濕鹽傳(chuan)(chuan)感器(qi)又稱(cheng)土壤(rang)(rang)溫濕鹽一體傳(chuan)(chuan)感器(qi),土壤(rang)(rang)溫濕鹽傳(chuan)(chuan)感器(qi)性能(neng)穩定靈(ling)敏度高,是觀測(ce)和研究鹽漬土的發生、演變、改良以及(ji)水鹽動態的重要工具。
1.供電:DC12V
2.功耗:小于0.1W
3.工作(zuo)溫(wen)度:-30~70℃
4.通信接口:RS485
5.工(gong)作電流:8mA DC12V
6.最短數據間隔:60S
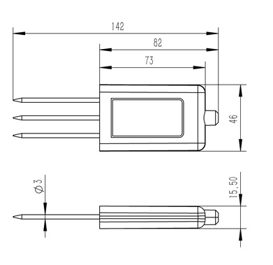
二(er)、土(tu)壤溫濕(shi)鹽傳感器產品尺寸(cun)圖

三、土壤溫濕鹽傳感器使用注(zhu)意(yi)事項
1.傳(chuan)感器(qi)安裝(zhuang)應嚴格按照安裝(zhuang)使用說明書進行。
2.多個傳感(gan)器同(tong)時工作時,必須(xu)間隔(ge)5米(mi)以(yi)上(shang)距離。
3.傳感器(qi)(qi)測量原理限制(zhi),傳感器(qi)(qi)測量地為中心半徑5米范圍內不應有電磁線纜(lan)和強磁輻射干擾,
避免造成傳感(gan)器測量的巨大誤差和損壞。
4.傳感器(qi)的(de)安裝環境應該(gai)符合(he)傳感器(qi)的(de)測(ce)量范(fan)圍(wei),避免超量程等不規范(fan)行為。
5.傳感器安(an)裝應避開(kai)強酸強堿、重油污重金屬環境(jing)進行(xing)。
6.傳感(gan)(gan)(gan)器(qi)為土壤測量(liang)傳感(gan)(gan)(gan)器(qi),禁止(zhi)將本(ben)傳感(gan)(gan)(gan)器(qi)對其他行為。
7.傳感器安裝環境不能有強振動(dong)。
8.傳(chuan)感器(qi)不能有過強外力(li)作用。
9.禁止拆(chai)卸,私自(zi)拆(chai)卸將不提供(gong)任何服務。
10.傳感器探針較(jiao)為鋒利,使(shi)用時(shi)應(ying)按(an)規定注意佩(pei)戴護具。
11.設備使用和維護應嚴格按照上述(shu)注意事項進行,如(ru)有違規使用的行為,本(ben)司不承擔相(xiang)關負責
四、土壤(rang)溫濕鹽傳感器(qi)傳感器(qi)參數
| 參數 | 測量范圍 | 精度 | 分辨率 | 單位 |
| 土壤溫度 | -30~70℃ | ±0.3(-10~50℃) | 0.01 | ℃ |
| 土壤含水率 | 0~100% | ±3%(壤土)高有機質土壤(土壤有機碳含量>12%)高粘粒含量土壤(粘粒含量>45%)由于其介電弛豫特性,可能需要針對特定土壤類型進行標定 | 0.01% | --- |
| 土壤電導率 | 0~20000 | ±3%(15℃,0~10000us/cm)±5%(全量程) | 1 | us/cm |
| 土壤含鹽量 | 0~12800 | ±3% | 1 | mg/L |
本文地址://jxhgyq.com/2617.html




風途首頁
電話咨詢
產品中心